Klikaanklikuit-tester
25-08-2023




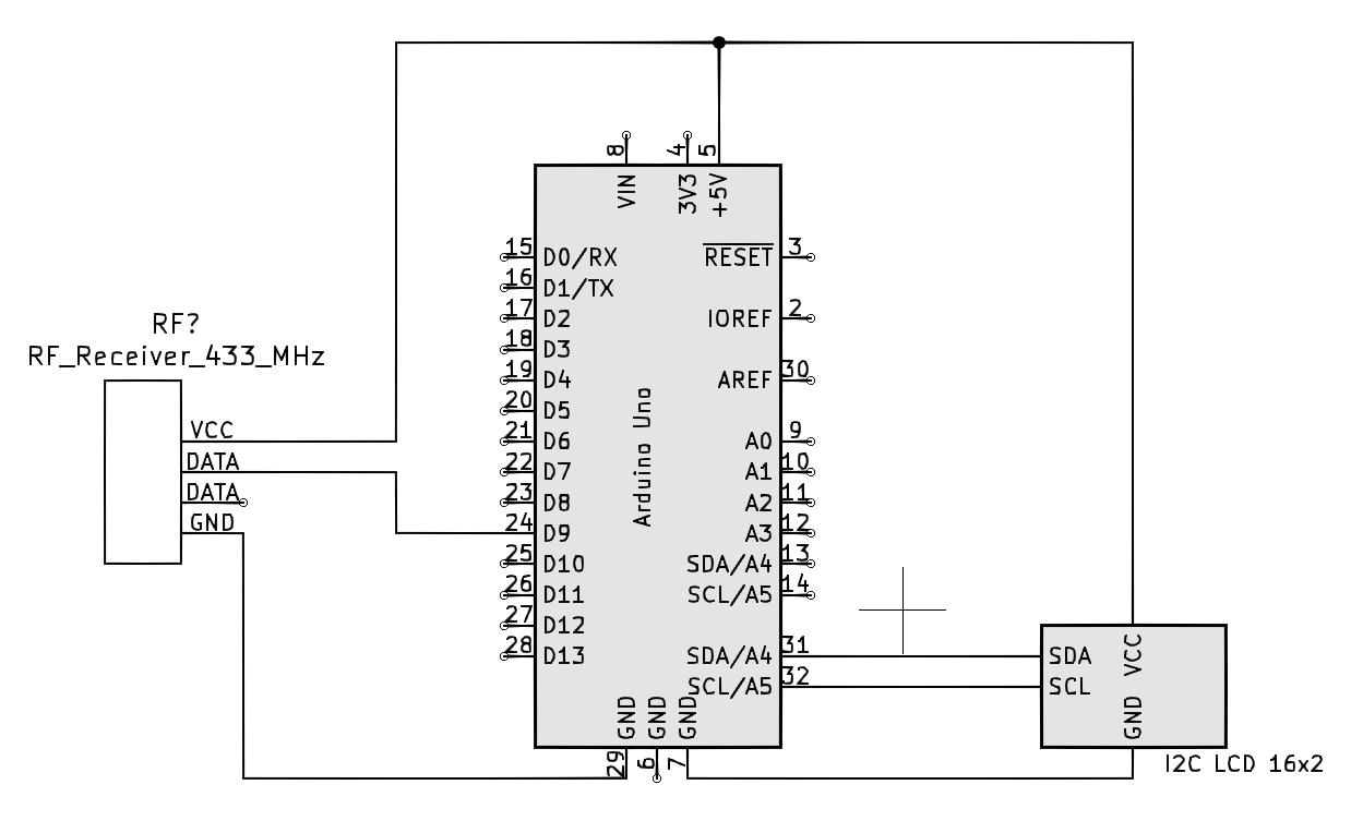
Tester om klik-aan-klik-uit-zenders te testen. Handig bij de ontwikkeling van Arduino-projecten met klik-aan-klik-uit.
Dev
Apparaat toont:
KaKu-adres en op de tweede regel de groep (unit), status (aan of uit) en de waarde van het dimmen (D) indien er een dimmer werd gebruikt.
Download
Behuizing
Code (Arduino Uno)
Dev
Apparaat toont:
KaKu-adres en op de tweede regel de groep (unit), status (aan of uit) en de waarde van het dimmen (D) indien er een dimmer werd gebruikt.
Download
Behuizing
Code (Arduino Uno)
